溫州弘凌泵閥有限公司
客服1:0577-67987292
客服2:0577-67987270
傳真:0577-67987252
手機:13355776372
地址:浙江省永嘉縣甌北鎮浦西工業區
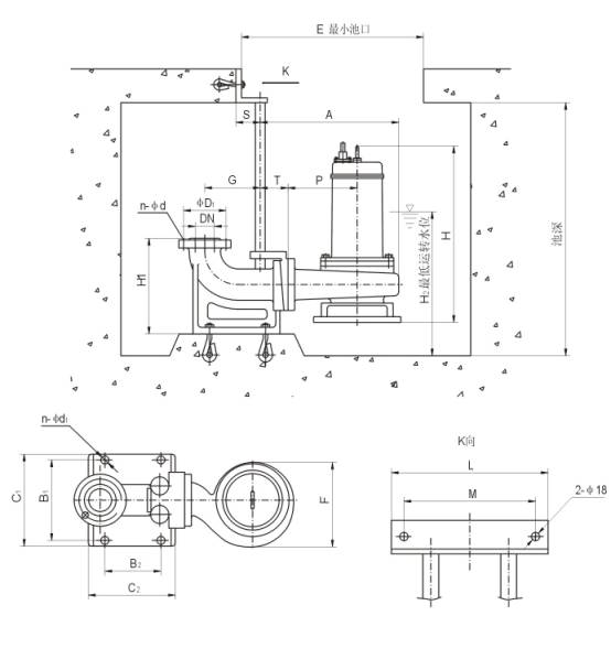
潛水排污泵自動耦合式安裝尺寸圖
時間:2018-3-12 11:29:39來源:http://m.nianxiuwudao.cn作者:弘凌泵閥
潛水排污泵自動耦合式安裝尺寸圖(移動式安裝尺寸續后)
|
耦合器出水口法蘭尺寸
|
||||||||||||
|
DN(mm)
|
50
|
65
|
80
|
100
|
125
|
150
|
200
|
250
|
300
|
350
|
400
|
500
|
|
фD1
|
125
|
145
|
160
|
180
|
210
|
240
|
295
|
350
|
400
|
460
|
515
|
620
|
|
n-фd
|
4-ф18
|
4-ф18
|
8-ф18
|
8-ф18
|
8-ф18
|
8-ф22
|
8-ф22
|
12-ф22
|
12-ф22
|
16-ф22
|
16-ф26
|
20-ф26
|
YCQM自動耦合式安裝尺寸表
|
序
號
|
型號
|
H
|
H1
|
H2
|
G
|
T
|
S
|
P
|
A
|
F
|
C1
|
C2
|
B1
|
B2
|
n-фd1
|
L
|
M
|
E
|
|
1
|
YCQM20-10
|
495
|
215
|
430
|
120
|
50
|
55
|
210
|
420
|
206
|
260
|
310
|
230
|
210
|
4-ф20
|
260
|
210
|
700×570
|
|
2
|
YCQM20-15
|
525
|
215
|
430
|
120
|
50
|
55
|
210
|
420
|
206
|
260
|
310
|
230
|
210
|
4-ф20
|
260
|
210
|
700×570
|
|
3
|
YCQM20-22
|
525
|
215
|
430
|
120
|
50
|
55
|
210
|
420
|
206
|
260
|
310
|
230
|
210
|
4-ф20
|
260
|
210
|
700×570
|
|
4
|
YCQM20-30
|
585
|
215
|
490
|
120
|
50
|
55
|
235
|
465
|
245
|
260
|
310
|
230
|
210
|
4-ф20
|
260
|
210
|
700×570
|
|
5
|
YCQM20-40
|
615
|
215
|
515
|
120
|
50
|
55
|
290
|
485
|
260
|
260
|
310
|
230
|
210
|
4-ф20
|
260
|
210
|
850×700
|
|
6
|
YCQM20-50
|
615
|
215
|
515
|
120
|
50
|
55
|
290
|
527
|
260
|
260
|
310
|
230
|
210
|
4-ф20
|
260
|
210
|
850×700
|
|
7
|
YCQM30-10
|
605
|
240
|
545
|
135
|
65
|
55
|
240
|
472
|
325
|
275
|
310
|
250
|
225
|
4-ф20
|
260
|
210
|
850×700
|
|
8
|
YCQM30-15
|
605
|
240
|
545
|
135
|
65
|
55
|
240
|
472
|
325
|
275
|
310
|
250
|
225
|
4-ф20
|
260
|
210
|
850×700
|
|
9
|
YCQM30-22
|
615
|
240
|
565
|
135
|
65
|
55
|
280
|
540
|
325
|
275
|
310
|
250
|
225
|
4-ф20
|
260
|
210
|
900×750
|
|
10
|
YCQM30-30
|
680
|
240
|
615
|
135
|
65
|
55
|
280
|
540
|
325
|
275
|
310
|
250
|
225
|
4-ф20
|
260
|
210
|
900×750
|
|
11
|
YCQM30-40
|
680
|
240
|
615
|
135
|
65
|
55
|
280
|
540
|
325
|
275
|
310
|
250
|
225
|
4-ф20
|
260
|
210
|
900×750
|
|
12
|
YCQM30-50
|
680
|
240
|
615
|
135
|
65
|
55
|
320
|
540
|
325
|
275
|
310
|
250
|
225
|
4-ф20
|
260
|
210
|
900×750
|
|
13
|
YCQM30-60
|
705
|
240
|
630
|
135
|
65
|
55
|
320
|
560
|
345
|
275
|
310
|
250
|
225
|
4-ф20
|
260
|
210
|
900×750
|
|
14
|
YCQM30-70
|
705
|
240
|
630
|
135
|
65
|
55
|
320
|
560
|
345
|
275
|
310
|
250
|
225
|
4-ф20
|
260
|
210
|
900×750
|
|
15
|
YCQM30-80
|
705
|
240
|
630
|
135
|
65
|
55
|
320
|
560
|
345
|
275
|
310
|
250
|
225
|
4-ф20
|
260
|
210
|
900×750
|
|
16
|
YCQM30-90
|
730
|
240
|
645
|
135
|
65
|
55
|
360
|
590
|
375
|
275
|
310
|
250
|
225
|
4-ф20
|
260
|
210
|
900×750
|
|
17
|
YCQM30-100
|
730
|
240
|
645
|
135
|
65
|
55
|
360
|
590
|
375
|
275
|
310
|
250
|
225
|
4-ф20
|
260
|
210
|
900×750
|
|
18
|
YCQM50-10
|
635
|
275
|
595
|
160
|
85
|
90
|
280
|
510
|
353
|
290
|
340
|
255
|
260
|
4-ф20
|
380
|
320
|
900×750
|
|
19
|
YCQM50-13
|
645
|
275
|
615
|
160
|
85
|
90
|
280
|
510
|
353
|
290
|
340
|
255
|
260
|
4-ф20
|
380
|
320
|
900×750
|
|
20
|
YCQM50-22
|
710
|
275
|
660
|
160
|
85
|
90
|
320
|
550
|
390
|
290
|
340
|
255
|
260
|
4-ф20
|
380
|
320
|
900×750
|
|
21
|
YCQM50-30
|
710
|
275
|
660
|
160
|
85
|
90
|
320
|
550
|
390
|
290
|
340
|
255
|
260
|
4-ф20
|
380
|
320
|
900×750
|
|
22
|
YCQM50-40
|
915
|
275
|
790
|
160
|
85
|
90
|
320
|
550
|
390
|
290
|
340
|
255
|
260
|
4-ф20
|
380
|
320
|
900×750
|
|
23
|
YCQM50-50
|
915
|
275
|
790
|
160
|
85
|
90
|
320
|
550
|
390
|
290
|
340
|
255
|
260
|
4-ф20
|
380
|
320
|
900×750
|
|
24
|
YCQM50-60
|
915
|
275
|
790
|
160
|
85
|
90
|
320
|
550
|
390
|
290
|
340
|
255
|
260
|
4-ф20
|
380
|
320
|
900×750
|
|
25
|
YCQM50-70
|
930
|
275
|
810
|
160
|
85
|
90
|
370
|
600
|
410
|
290
|
340
|
255
|
260
|
4-ф20
|
380
|
320
|
900×750
|
|
26
|
YCQM50-80
|
930
|
275
|
810
|
160
|
85
|
90
|
370
|
600
|
410
|
290
|
340
|
255
|
260
|
4-ф20
|
380
|
320
|
900×750
|
|
27
|
YCQM50-90
|
955
|
275
|
830
|
160
|
85
|
90
|
400
|
630
|
440
|
290
|
340
|
255
|
260
|
4-ф20
|
380
|
320
|
900×750
|
|
28
|
YCQM50-100
|
955
|
275
|
830
|
160
|
85
|
90
|
400
|
630
|
440
|
290
|
340
|
255
|
260
|
4-ф20
|
380
|
320
|
900×750
|
|
29
|
YCQMS0-10
|
645
|
330
|
650
|
180
|
125
|
90
|
270
|
530
|
370
|
340
|
410
|
305
|
310
|
4-ф20
|
380
|
320
|
900×750
|
|
30
|
YCQM80-15
|
710
|
330
|
690
|
180
|
125
|
90
|
300
|
560
|
395
|
340
|
410
|
305
|
310
|
4-ф20
|
380
|
320
|
900×750
|
|
31
|
YCQM80-20
|
710
|
330
|
690
|
180
|
125
|
90
|
300
|
560
|
395
|
340
|
410
|
305
|
310
|
4-ф20
|
380
|
320
|
900×750
|
|
32
|
YCQM80-25
|
915
|
330
|
690
|
180
|
125
|
90
|
300
|
560
|
395
|
340
|
410
|
305
|
310
|
4-ф20
|
380
|
320
|
900×750
|
|
33
|
YCQM80-30
|
915
|
330
|
690
|
180
|
125
|
90
|
350
|
620
|
395
|
340
|
410
|
305
|
310
|
4-ф20
|
380
|
320
|
900×750
|
|
34
|
YCQM80-40
|
960
|
330
|
825
|
180
|
125
|
90
|
350
|
620
|
395
|
340
|
410
|
305
|
310
|
4-ф20
|
380
|
320
|
900×750
|
|
35
|
YCQM80-50
|
960
|
330
|
825
|
180
|
125
|
90
|
350
|
620
|
395
|
340
|
410
|
305
|
310
|
4-ф20
|
380
|
320
|
900×750
|
|
36
|
YCQM80-60
|
995
|
330
|
865
|
180
|
125
|
90
|
410
|
670
|
415
|
340
|
410
|
305
|
310
|
4-ф20
|
380
|
320
|
900×750
|
|
37
|
YCQM80-70
|
995
|
330
|
865
|
180
|
125
|
90
|
410
|
670
|
415
|
340
|
410
|
305
|
310
|
4-ф20
|
380
|
320
|
900×750
|
|
38
|
YCQM80-80
|
995
|
330
|
865
|
180
|
125
|
90
|
410
|
670
|
415
|
340
|
410
|
305
|
310
|
4-ф20
|
380
|
320
|
900×750
|
|
39
|
YCQM80-90
|
1020
|
330
|
915
|
180
|
125
|
90
|
455
|
720
|
435
|
340
|
410
|
305
|
310
|
4-ф20
|
380
|
320
|
1000×800
|
|
序
號 |
型號
|
H
|
H1
|
H2
|
G
|
T
|
S
|
P
|
A
|
F
|
C1
|
C2
|
B1
|
B2
|
n-фd1
|
L
|
M
|
E
|
|
40 |
YCQM80-100 |
1020 |
330 |
915 |
180 |
125 |
90 |
455 |
720 |
435 |
340 |
410 |
305 |
310 |
4-ф20 |
380 |
320 |
1000×800 |
|
41 |
YCQM100-10 |
710 |
330 |
690 |
180 |
125 |
90 |
290 |
590 |
395 |
340 |
410 |
305 |
310 |
4-ф20 |
380 |
320 |
1000×800 |
|
42 |
YCQMl00-15 |
710 |
330 |
690 |
180 |
125 |
90 |
290 |
590 |
395 |
340 |
410 |
305 |
310 |
4-ф20 |
380 |
320 |
1000×800 |
|
43 |
YCQM100-22 |
915 |
330 |
690 |
180 |
125 |
90 |
290 |
590 |
395 |
340 |
410 |
305 |
310 |
4-ф20 |
380 |
320 |
1000×800 |
|
44 |
YCQM100-30 |
915 |
330 |
690 |
180 |
125 |
90 |
290 |
590 |
395 |
340 |
410 |
305 |
310 |
4-ф20 |
380 |
320 |
1000×800 |
|
45 |
YCQM100-40 |
960 |
330 |
825 |
180 |
125 |
90 |
290 |
590 |
395 |
340 |
410 |
305 |
310 |
4-ф20 |
380 |
320 |
1000×800 |
|
46 |
YCQM100-45 |
960 |
330 |
825 |
180 |
125 |
90 |
290 |
590 |
395 |
340 |
410 |
305 |
310 |
4-ф20 |
380 |
320 |
1000×800 |
|
47 |
YCQMl00-52 |
960 |
330 |
825 |
180 |
125 |
90 |
290 |
590 |
395 |
340 |
410 |
305 |
310 |
4-ф20 |
380 |
320 |
1000×800 |
|
48 |
YCQM100-60 |
995 |
330 |
865 |
180 |
125 |
90 |
350 |
650 |
415 |
340 |
410 |
305 |
310 |
4-ф20 |
380 |
320 |
1000×800 |
|
49 |
YCQM100-70 |
995 |
330 |
865 |
180 |
125 |
90 |
350 |
650 |
415 |
340 |
410 |
305 |
310 |
4-ф20 |
380 |
320 |
1000×800 |
|
50 |
YCQM100-80 |
995 |
330 |
865 |
180 |
125 |
90 |
350 |
650 |
415 |
340 |
410 |
305 |
310 |
4-ф20 |
380 |
320 |
1000×800 |
|
51 |
YCQM100-90 |
1025 |
330 |
915 |
180 |
125 |
90 |
415 |
710 |
435 |
340 |
410 |
305 |
310 |
4-ф20 |
380 |
320 |
1000×800 |
|
52 |
YCQMl00-100 |
1025 |
330 |
915 |
180 |
125 |
90 |
415 |
710 |
435 |
340 |
410 |
305 |
310 |
4-ф20 |
380 |
320 |
1000×800 |
|
53 |
YCQM130-10 |
765 |
485 |
845 |
215 |
170 |
90 |
290 |
395 |
450 |
480 |
500 |
440 |
400 |
4-ф20 |
380 |
320 |
1100×1000 |
|
54 |
YCQM130-15 |
1005 |
485 |
985 |
215 |
170 |
90 |
290 |
395 |
450 |
480 |
500 |
440 |
400 |
4-ф20 |
380 |
320 |
1100×1000 |
|
55 |
YCQM130-22 |
1005 |
485 |
985 |
215 |
170 |
90 |
290 |
395 |
495 |
480 |
500 |
440 |
400 |
4-ф20 |
380 |
320 |
1100×1000 |
|
56 |
YCQM130-30 |
1085 |
485 |
1035 |
215 |
170 |
90 |
290 |
395 |
495 |
480 |
500 |
440 |
400 |
4-ф20 |
380 |
320 |
1100×1000 |
|
57 |
YCQMl30-38 |
1495 |
485 |
1155 |
215 |
170 |
90 |
290 |
395 |
495 |
480 |
500 |
440 |
400 |
4-ф20 |
380 |
320 |
1100×1000 |
|
58 |
YCQM130-45 |
1605 |
485 |
1175 |
215 |
170 |
90 |
290 |
395 |
525 |
480 |
500 |
440 |
400 |
4-ф20 |
380 |
320 |
1100×1000 |
|
59 |
YCQM130-52 |
1605 |
485 |
1175 |
215 |
170 |
90 |
290 |
395 |
525 |
480 |
500 |
440 |
400 |
4-ф20 |
380 |
320 |
1100×1000 |
|
60 |
YCQM130-60 |
1605 |
485 |
1175 |
215 |
170 |
90 |
350 |
650 |
525 |
480 |
500 |
440 |
400 |
4-ф20 |
380 |
320 |
1100×1000 |
|
61 |
YCQM130-70 |
1645 |
485 |
1215 |
215 |
170 |
90 |
350 |
650 |
555 |
480 |
500 |
440 |
400 |
4-ф20 |
380 |
320 |
1200×1100 |
|
62 |
YCQMl30-80 |
1645 |
485 |
1215 |
215 |
170 |
90 |
350 |
650 |
555 |
480 |
500 |
440 |
400 |
4-ф20 |
380 |
320 |
1200×1100 |
|
63 |
YCQM130-90 |
1675 |
485 |
1245 |
215 |
170 |
90 |
415 |
710 |
585 |
480 |
500 |
440 |
400 |
4-ф20 |
380 |
320 |
1200×1100 |
|
64 |
YCQM130-100 |
1675 |
485 |
1245 |
215 |
170 |
90 |
415 |
710 |
585 |
480 |
500 |
440 |
400 |
4-ф20 |
380 |
320 |
1200×1100 |
|
65 |
YCQM160-8 |
765 |
485 |
845 |
215 |
170 |
90 |
290 |
590 |
450 |
480 |
500 |
440 |
400 |
4-ф20 |
380 |
320 |
1100×900 |
|
66 |
YCQM160-15 |
1005 |
485 |
985 |
215 |
170 |
90 |
290 |
590 |
450 |
480 |
500 |
440 |
400 |
4-ф20 |
380 |
320 |
1100×900 |
|
67 |
YCQMl60-20 |
1005 |
485 |
985 |
215 |
170 |
90 |
290 |
590 |
495 |
480 |
500 |
440 |
400 |
4-ф20 |
380 |
320 |
1100×900 |
|
68 |
YCQM160-25 |
1085 |
485 |
1035 |
215 |
170 |
90 |
290 |
590 |
495 |
480 |
500 |
440 |
400 |
4-ф20 |
380 |
320 |
1100×900 |
|
69 |
YCQM160-30 |
1495 |
485 |
1155 |
215 |
170 |
90 |
290 |
590 |
495 |
480 |
500 |
440 |
400 |
4-ф20 |
380 |
320 |
1100×900 |
|
70 |
YCQM160-40 |
1605 |
485 |
1175 |
215 |
170 |
90 |
290 |
590 |
525 |
480 |
500 |
440 |
400 |
4-ф20 |
380 |
320 |
1200×1100 |
|
71 |
YCQM160-50 |
1605 |
485 |
1175 |
215 |
170 |
90 |
350 |
650 |
525 |
480 |
500 |
440 |
400 |
4-ф20 |
380 |
320 |
1200×1100 |
|
72 |
YCQMl60-60 |
1605 |
485 |
1175 |
215 |
170 |
90 |
350 |
650 |
525 |
480 |
500 |
440 |
400 |
4-ф20 |
380 |
320 |
1200×1100 |
|
73 |
YCQM160-70 |
1645 |
485 |
1215 |
215 |
170 |
90 |
350 |
650 |
555 |
480 |
500 |
440 |
400 |
4-ф20 |
380 |
320 |
1200×1100 |
|
74 |
YCQM160-80 |
1645 |
485 |
1215 |
215 |
170 |
90 |
415 |
710 |
555 |
480 |
500 |
440 |
400 |
4-ф20 |
380 |
320 |
1200×1100 |
|
75 |
YCQM160-90 |
1675 |
485 |
1245 |
215 |
170 |
90 |
465 |
870 |
585 |
480 |
500 |
440 |
400 |
4-ф20 |
380 |
320 |
1200×1100 |
|
76 |
YCQM160-100 |
1675 |
485 |
1245 |
215 |
170 |
90 |
465 |
870 |
585 |
480 |
500 |
440 |
400 |
4-ф20 |
380 |
320 |
1200×1100 |
|
77 |
YCQM200-10 |
1010 |
485 |
990 |
215 |
170 |
90 |
320 |
640 |
450 |
480 |
500 |
440 |
400 |
4-ф30 |
380 |
320 |
1100×900 |
|
78 |
YCQM200-15 |
1010 |
485 |
990 |
215 |
170 |
90 |
320 |
640 |
495 |
480 |
500 |
440 |
400 |
4-ф30 |
380 |
320 |
1100×900 |
|
序
號 |
型號
|
H
|
H1
|
H2
|
G
|
T
|
S
|
P
|
A
|
F
|
C1
|
C2
|
B1
|
B2
|
n-фd1
|
L
|
M
|
E
|
|
79 |
YCQM200-20 |
1100 |
485 |
1050 |
215 |
170 |
90 |
360 |
675 |
495 |
480 |
500 |
440 |
400 |
4-ф30 |
380 |
320 |
1100×900 |
|
80 |
YCQM200-25 |
1500 |
485 |
1170 |
215 |
170 |
90 |
360 |
675 |
495 |
480 |
500 |
440 |
400 |
4-ф30 |
380 |
320 |
1100×900 |
|
81 |
YCQM200-32 |
1620 |
485 |
1200 |
215 |
170 |
90 |
395 |
715 |
525 |
480 |
500 |
440 |
400 |
4-ф30 |
380 |
320 |
1100×900 |
|
82 |
YCQM200-40 |
1620 |
485 |
1200 |
215 |
170 |
90 |
395 |
715 |
525 |
480 |
500 |
440 |
400 |
4-ф30 |
380 |
320 |
1100×900 |
|
83 |
YCQM200-45 |
1620 |
485 |
1200 |
215 |
170 |
90 |
395 |
715 |
525 |
480 |
500 |
440 |
400 |
4-ф30 |
380 |
320 |
1100×900 |
|
84 |
YCQM200-50 |
1660 |
485 |
1240 |
215 |
170 |
90 |
435 |
745 |
555 |
480 |
500 |
440 |
400 |
4-ф30 |
380 |
320 |
1200×1100 |
|
85 |
YCQM200-60 |
1660 |
485 |
1240 |
215 |
170 |
90 |
435 |
745 |
555 |
480 |
500 |
440 |
400 |
4-ф30 |
380 |
320 |
1200×1100 |
|
86 |
YCQM200-70 |
1690 |
485 |
1280 |
215 |
170 |
90 |
465 |
780 |
585 |
480 |
500 |
440 |
400 |
4-ф30 |
380 |
320 |
1200×1100 |
|
87 |
YCQM200-80 |
1690 |
485 |
1280 |
215 |
170 |
90 |
465 |
780 |
585 |
480 |
500 |
440 |
400 |
4-ф30 |
380 |
320 |
1200×1100 |
|
88 |
YCQM200-90 |
1710 |
485 |
1300 |
215 |
170 |
90 |
490 |
815 |
620 |
480 |
500 |
440 |
400 |
4-ф30 |
380 |
320 |
1200×1100 |
|
89 |
YCQM200-100 |
1710 |
485 |
1300 |
215 |
170 |
90 |
490 |
815 |
620 |
480 |
500 |
440 |
400 |
4-ф30 |
380 |
320 |
1200×1100 |
|
90 |
YCQM250-12 |
1010 |
485 |
990 |
215 |
170 |
90 |
320 |
650 |
495 |
480 |
500 |
440 |
400 |
4-ф30 |
380 |
320 |
1100×900 |
|
91 |
YCQM250-20 |
1500 |
485 |
1170 |
215 |
170 |
90 |
320 |
680 |
495 |
480 |
500 |
440 |
400 |
4-ф30 |
380 |
320 |
1100×900 |
|
92 |
YCQM250-25 |
1620 |
485 |
1200 |
215 |
170 |
90 |
345 |
680 |
525 |
480 |
500 |
440 |
400 |
4-ф30 |
380 |
320 |
1100×900 |
|
93 |
YCQM250-32 |
1620 |
485 |
1200 |
215 |
170 |
90 |
345 |
720 |
525 |
480 |
500 |
440 |
400 |
4-ф30 |
380 |
320 |
1100×900 |
|
94 |
YCQM250-40 |
1620 |
485 |
1200 |
215 |
170 |
90 |
345 |
720 |
525 |
480 |
500 |
440 |
400 |
4-ф30 |
380 |
320 |
1100×900 |
|
95 |
YCQM250-50 |
1660 |
485 |
1240 |
215 |
170 |
90 |
380 |
765 |
555 |
480 |
500 |
440 |
400 |
4-ф30 |
380 |
320 |
1200×1100 |
|
96 |
YCQM250-60 |
1690 |
485 |
1280 |
215 |
170 |
90 |
380 |
765 |
585 |
480 |
500 |
440 |
400 |
4-ф30 |
380 |
320 |
1200×1100 |
|
97 |
YCQM250-70 |
1690 |
485 |
1280 |
215 |
170 |
90 |
420 |
830 |
585 |
480 |
500 |
440 |
400 |
4-ф30 |
380 |
320 |
1200×1100 |
|
98 |
YCQM250-80 |
1690 |
485 |
1280 |
215 |
170 |
90 |
420 |
830 |
585 |
480 |
500 |
440 |
400 |
4-ф30 |
380 |
320 |
1200×1100 |
|
99 |
YCQM250-90 |
1710 |
485 |
1300 |
215 |
170 |
90 |
455 |
870 |
620 |
480 |
500 |
440 |
400 |
4-ф30 |
380 |
320 |
1200×1100 |
|
100 |
YCQM250-100 |
1750 |
485 |
1400 |
215 |
170 |
90 |
455 |
870 |
620 |
480 |
500 |
440 |
400 |
4-ф30 |
380 |
320 |
1200×1100 |
|
101 |
YCQM300-10 |
1020 |
570 |
1050 |
290 |
170 |
90 |
340 |
780 |
550 |
550 |
610 |
500 |
470 |
4-ф30 |
460 |
400 |
1200×1100 |
|
102 |
YCQM300-15 |
1085 |
570 |
1120 |
290 |
170 |
90 |
340 |
780 |
550 |
550 |
610 |
500 |
470 |
4-ф30 |
460 |
400 |
1200×1100 |
|
103 |
YCQM300-22 |
1650 |
570 |
1300 |
290 |
170 |
90 |
440 |
860 |
550 |
550 |
610 |
500 |
470 |
4-ф30 |
460 |
400 |
1200×1100 |
|
104 |
YCQM300-28 |
1650 |
570 |
1300 |
290 |
170 |
90 |
440 |
860 |
580 |
550 |
610 |
500 |
470 |
4-ф30 |
460 |
400 |
1200×1100 |
|
105 |
YCQM300-32 |
1650 |
570 |
1300 |
290 |
170 |
90 |
440 |
860 |
580 |
550 |
610 |
500 |
470 |
4-ф30 |
460 |
400 |
1200×1100 |
|
106 |
YCQM300-40 |
1720 |
570 |
1400 |
290 |
170 |
90 |
470 |
910 |
580 |
550 |
610 |
500 |
470 |
4-ф30 |
460 |
400 |
1200×1100 |
|
107 |
YCQM300-50 |
1720 |
570 |
1400 |
290 |
170 |
90 |
470 |
910 |
580 |
550 |
610 |
500 |
470 |
4-ф30 |
460 |
400 |
1200×1100 |
|
108 |
YCQM300-60 |
1720 |
570 |
1400 |
290 |
170 |
90 |
470 |
910 |
630 |
550 |
610 |
500 |
470 |
4-ф30 |
460 |
400 |
1200×1100 |
|
109 |
YCQM300-70 |
1760 |
570 |
1500 |
290 |
170 |
90 |
510 |
940 |
630 |
550 |
610 |
500 |
470 |
4-ф30 |
460 |
400 |
1200×1100 |
|
110 |
YCQM300-80 |
1760 |
570 |
1500 |
290 |
170 |
90 |
510 |
940 |
630 |
550 |
610 |
500 |
470 |
4-ф30 |
460 |
400 |
1200×1100 |
|
111 |
YCQM300-90 |
1810 |
570 |
1600 |
290 |
170 |
90 |
570 |
1010 |
630 |
550 |
610 |
500 |
470 |
4-ф30 |
460 |
400 |
1300×1200 |
|
112 |
YCQM300-100 |
1810 |
570 |
1600 |
290 |
170 |
90 |
570 |
1010 |
630 |
550 |
610 |
500 |
470 |
4-ф30 |
460 |
400 |
1300×1200 |
|
113 |
YCQM350-10 |
1020 |
570 |
1050 |
290 |
170 |
90 |
340 |
780 |
550 |
550 |
610 |
500 |
470 |
4-ф30 |
460 |
400 |
1200×1100 |
|
114 |
YCQM350-15 |
1085 |
570 |
1120 |
290 |
170 |
90 |
340 |
780 |
550 |
550 |
610 |
500 |
470 |
4-ф30 |
460 |
400 |
1200×1100 |
|
115 |
YCQM350-20 |
1650 |
570 |
1300 |
290 |
170 |
90 |
440 |
860 |
590 |
550 |
610 |
500 |
470 |
4-ф30 |
460 |
400 |
1200×1100 |
|
116 |
YCQM350-25 |
1650 |
570 |
1300 |
290 |
170 |
90 |
440 |
860 |
590 |
550 |
610 |
500 |
470 |
4-ф30 |
460 |
400 |
1200×1100 |
|
117 |
YCQM350-30 |
1650 |
570 |
1300 |
290 |
170 |
90 |
440 |
860 |
590 |
550 |
610 |
500 |
470 |
4-ф30 |
460 |
400 |
1200×1100 |
|
序
號 |
型號
|
H
|
H1
|
H2
|
G
|
T
|
S
|
P
|
A
|
F
|
C1
|
C2
|
B1
|
B2
|
n-фd1
|
L
|
M
|
E
|
|
118 |
YCQM350-40 |
1720 |
570 |
1400 |
290 |
170 |
90 |
470 |
910 |
590 |
550 |
610 |
500 |
470 |
4-ф30 |
460 |
400 |
1200×1100 |
|
119 |
YCQM350-50 |
1720 |
570 |
1400 |
290 |
170 |
90 |
470 |
910 |
640 |
550 |
610 |
500 |
470 |
4-ф30 |
460 |
400 |
1200×1100 |
|
120 |
YCQM350-60 |
1720 |
570 |
1400 |
290 |
170 |
90 |
470 |
910 |
640 |
550 |
610 |
500 |
470 |
4-ф30 |
460 |
400 |
1200×1100 |
|
121 |
YCQM350-70 |
1810 |
570 |
1600 |
290 |
170 |
90 |
570 |
1010 |
640 |
550 |
610 |
500 |
470 |
4-ф30 |
460 |
400 |
1300×1200 |
|
122 |
YCQM350-80 |
1810 |
570 |
1600 |
290 |
170 |
90 |
570 |
1010 |
640 |
550 |
610 |
500 |
470 |
4-ф30 |
460 |
400 |
1300×1200 |
|
123 |
YCQM350-90 |
1810 |
570 |
1600 |
290 |
170 |
90 |
570 |
1010 |
690 |
550 |
610 |
500 |
470 |
4-ф30 |
460 |
400 |
1300×1200 |
|
124 |
YCQM350-100 |
1910 |
570 |
1700 |
290 |
170 |
90 |
570 |
1010 |
690 |
550 |
610 |
500 |
470 |
4-ф30 |
460 |
400 |
1300×1200 |
|
125 |
YCQM400-10 |
1085 |
570 |
1120 |
290 |
170 |
90 |
340 |
780 |
580 |
550 |
610 |
500 |
470 |
4-ф30 |
460 |
400 |
1200×1100 |
|
126 |
YCQM400-15 |
1650 |
570 |
1300 |
290 |
170 |
90 |
440 |
860 |
580 |
550 |
610 |
500 |
470 |
4-ф30 |
460 |
400 |
1200×1100 |
|
127 |
YCQM400-20 |
1650 |
570 |
1300 |
290 |
170 |
90 |
440 |
860 |
580 |
550 |
610 |
500 |
470 |
4-ф30 |
460 |
400 |
1200×1100 |
|
128 |
YCQM400-30 |
1650 |
570 |
1300 |
290 |
170 |
90 |
440 |
860 |
580 |
550 |
610 |
500 |
470 |
4-ф30 |
460 |
400 |
1200×1100 |
|
129 |
YCQM400-40 |
1720 |
570 |
1400 |
290 |
170 |
90 |
470 |
910 |
630 |
550 |
610 |
500 |
470 |
4-ф30 |
460 |
400 |
1200×1100 |
|
130 |
YCQM400-50 |
1720 |
570 |
1400 |
290 |
170 |
90 |
470 |
910 |
630 |
550 |
610 |
500 |
470 |
4-ф30 |
460 |
400 |
1200×1100 |
|
131 |
YCQM400-60 |
1720 |
570 |
1400 |
290 |
170 |
90 |
470 |
910 |
630 |
550 |
610 |
500 |
470 |
4-ф30 |
460 |
400 |
1200×1100 |
|
132 |
YCQM400-70 |
1810 |
570 |
1600 |
290 |
170 |
90 |
570 |
1010 |
630 |
550 |
610 |
500 |
470 |
4-ф30 |
460 |
400 |
1300×1200 |
|
133 |
YCQM400-80 |
1910 |
570 |
1700 |
290 |
170 |
90 |
570 |
1010 |
680 |
550 |
610 |
500 |
470 |
4-ф30 |
460 |
400 |
1300×1200 |
|
134 |
YCQM400-90 |
1910 |
570 |
1700 |
290 |
170 |
90 |
570 |
1010 |
680 |
550 |
610 |
500 |
470 |
4-ф30 |
460 |
400 |
1300×1200 |
|
135 |
YCQM400-100 |
1980 |
570 |
1700 |
290 |
170 |
90 |
570 |
1010 |
680 |
550 |
610 |
500 |
470 |
4-ф30 |
460 |
400 |
1300×1200 |
|
136 |
YCQM500-10 |
1650 |
610 |
1400 |
290 |
190 |
90 |
380 |
810 |
600 |
610 |
520 |
480 |
480 |
4-ф30 |
460 |
400 |
1200×1100 |
|
137 |
YCQM500-15 |
1650 |
610 |
1400 |
290 |
190 |
90 |
380 |
810 |
600 |
600 |
610 |
520 |
480 |
4-ф30 |
460 |
400 |
1200×1100 |
|
138 |
YCQM500-22 |
1735 |
610 |
1450 |
290 |
190 |
90 |
430 |
870 |
600 |
600 |
610 |
520 |
480 |
4-ф30 |
460 |
400 |
1200×1100 |
|
139 |
YCQM500-30 |
1820 |
610 |
1500 |
290 |
190 |
90 |
480 |
920 |
680 |
600 |
610 |
520 |
480 |
4-ф30 |
460 |
400 |
1200×1100 |
|
140 |
YCQM500-40 |
1820 |
610 |
1500 |
290 |
190 |
90 |
480 |
920 |
680 |
600 |
610 |
520 |
480 |
4-ф30 |
460 |
400 |
1200×1100 |
|
141 |
YCQM500-50 |
1870 |
610 |
1550 |
290 |
190 |
90 |
510 |
960 |
710 |
600 |
610 |
520 |
480 |
4-ф30 |
460 |
400 |
1200×1100 |
|
142 |
YCQM500-60 |
1870 |
610 |
1550 |
290 |
190 |
90 |
510 |
960 |
710 |
600 |
610 |
520 |
480 |
4-ф30 |
460 |
400 |
1200×1100 |
|
143 |
YCQM500-70 |
1920 |
610 |
1600 |
290 |
190 |
90 |
560 |
1000 |
780 |
600 |
610 |
520 |
480 |
4-ф30 |
460 |
400 |
1300×1200 |
|
144 |
YCQM500-80 |
1920 |
610 |
1600 |
290 |
190 |
90 |
560 |
1000 |
780 |
600 |
610 |
520 |
480 |
4-ф30 |
460 |
400 |
1300×1200 |
|
145 |
YCQM500-90 |
2020 |
610 |
1700 |
290 |
190 |
90 |
600 |
1070 |
840 |
600 |
610 |
520 |
480 |
4-ф30 |
460 |
400 |
1300×1200 |
|
146 |
YCQM500-100 |
2020 |
610 |
1700 |
290 |
190 |
90 |
600 |
1070 |
840 |
600 |
610 |
520 |
480 |
4-ф30 |
460 |
400 |
1300×1200 |
|
147 |
YCQM600-12 |
1680 |
610 |
1500 |
290 |
190 |
90 |
430 |
870 |
600 |
600 |
610 |
520 |
480 |
4-ф30 |
460 |
400 |
1200×1100 |
|
148 |
YCQM600-15 |
1680 |
610 |
1500 |
290 |
190 |
90 |
430 |
870 |
600 |
600 |
610 |
520 |
480 |
4-ф30 |
460 |
400 |
1200×1100 |
|
149 |
YCQM600-22 |
1805 |
610 |
1500 |
290 |
190 |
90 |
490 |
930 |
680 |
600 |
610 |
520 |
480 |
4-ф30 |
460 |
400 |
1200×1100 |
|
150 |
YCQM600-30 |
1805 |
610 |
1500 |
290 |
190 |
90 |
490 |
930 |
760 |
600 |
610 |
520 |
480 |
4-ф30 |
460 |
400 |
1200×1100 |
|
151 |
YCQM600-40 |
2020 |
610 |
1700 |
290 |
190 |
90 |
540 |
990 |
820 |
600 |
610 |
520 |
480 |
4-ф30 |
460 |
400 |
1200×1100 |
|
152 |
YCQM600-50 |
2020 |
610 |
1700 |
290 |
190 |
90 |
540 |
990 |
820 |
600 |
610 |
520 |
480 |
4-ф30 |
460 |
400 |
1200×1100 |
|
153 |
YCQM600-60 |
2080 |
610 |
1800 |
290 |
190 |
90 |
610 |
1040 |
880 |
600 |
610 |
520 |
480 |
4-ф30 |
460 |
400 |
1300×1200 |
|
154 |
YCQM600-70 |
2080 |
610 |
1800 |
290 |
190 |
90 |
610 |
1040 |
880 |
600 |
610 |
520 |
480 |
4-ф30 |
460 |
400 |
1300×1200 |
|
155 |
YCQM600-80 |
2080 |
610 |
1800 |
290 |
190 |
90 |
610 |
1040 |
880 |
600 |
610 |
520 |
480 |
4-ф30 |
460 |
400 |
1300×1200 |
|
序
號 |
型號
|
H
|
H1
|
H2
|
G
|
T
|
S
|
P
|
A
|
F
|
C1
|
C2
|
B1
|
B2
|
n-фd1
|
L
|
M
|
E
|
|
156 |
YCQM800-8 |
1680 |
720 |
1500 |
340 |
250 |
90 |
520 |
1010 |
730 |
880 |
870 |
780 |
770 |
4-ф30 |
460 |
400 |
1300×1200 |
|
157 |
YCQM800-12 |
1680 |
720 |
1500 |
340 |
250 |
90 |
520 |
1010 |
730 |
880 |
870 |
780 |
770 |
4-ф30 |
460 |
400 |
1300×1200 |
|
158 |
YCQM800-20 |
1805 |
720 |
1500 |
340 |
250 |
90 |
520 |
1010 |
730 |
880 |
870 |
780 |
770 |
4-ф30 |
460 |
400 |
1300×1200 |
|
159 |
YCQM800-25 |
1805 |
720 |
1500 |
340 |
250 |
90 |
520 |
1010 |
730 |
880 |
870 |
780 |
770 |
4-ф30 |
460 |
400 |
1300×1200 |
|
160 |
YCQM800-32 |
2045 |
720 |
1600 |
340 |
250 |
90 |
580 |
1060 |
780 |
880 |
870 |
780 |
770 |
4-ф30 |
460 |
400 |
1300×1200 |
|
161 |
YCQM800-40 |
2045 |
720 |
1600 |
340 |
250 |
90 |
580 |
1060 |
780 |
880 |
870 |
780 |
770 |
4-ф30 |
460 |
400 |
1300×1200 |
|
162 |
YCQM800-50 |
2205 |
720 |
1800 |
340 |
250 |
90 |
630 |
1120 |
825 |
880 |
870 |
780 |
770 |
4-ф30 |
460 |
400 |
1400×1300 |
|
163 |
YCQM800-60 |
2205 |
720 |
1800 |
340 |
250 |
90 |
630 |
1120 |
825 |
880 |
870 |
780 |
770 |
4-ф30 |
460 |
400 |
1400×1300 |
|
164 |
YCQM800-70 |
2350 |
720 |
1900 |
340 |
250 |
90 |
670 |
1310 |
880 |
880 |
870 |
780 |
770 |
4-ф30 |
460 |
400 |
1400×1300 |
|
165 |
YCQM1000-12 |
1805 |
720 |
1500 |
340 |
250 |
90 |
520 |
1010 |
730 |
880 |
870 |
780 |
770 |
4-ф30 |
460 |
400 |
1300×1200 |
|
166 |
YCQM1000-18 |
1805 |
720 |
1500 |
340 |
250 |
90 |
520 |
1010 |
730 |
880 |
870 |
780 |
770 |
4-ф30 |
460 |
400 |
1300×1200 |
|
167 |
YCQM1000-22 |
1805 |
720 |
1500 |
340 |
250 |
90 |
520 |
1010 |
730 |
880 |
870 |
780 |
770 |
4-ф30 |
460 |
400 |
1300×1200 |
|
168 |
YCQM1000-27 |
1805 |
720 |
1500 |
340 |
250 |
90 |
520 |
1010 |
730 |
880 |
870 |
780 |
770 |
4-ф30 |
460 |
400 |
1300×1200 |
|
169 |
YCQM1000-33 |
2100 |
720 |
1700 |
340 |
250 |
90 |
595 |
1125 |
785 |
880 |
870 |
780 |
770 |
4-ф30 |
460 |
400 |
1300×1200 |
|
170 |
YCQM1000-38 |
2100 |
720 |
1700 |
340 |
250 |
90 |
595 |
1125 |
785 |
880 |
870 |
780 |
770 |
4-ф30 |
460 |
400 |
1300×1200 |
|
171 |
YCQM1000-45 |
2100 |
720 |
1700 |
340 |
250 |
90 |
595 |
1125 |
785 |
880 |
870 |
780 |
770 |
4-ф30 |
460 |
400 |
1300×1200 |
|
172 |
YCQM1000-50 |
2450 |
720 |
2000 |
340 |
250 |
90 |
670 |
1310 |
880 |
880 |
870 |
780 |
770 |
4-ф30 |
460 |
400 |
1400×1300 |
|
173 |
YCQM1200-10 |
1875 |
720 |
1500 |
340 |
250 |
90 |
545 |
1075 |
765 |
880 |
870 |
780 |
770 |
4-ф30 |
640 |
580 |
1300×1200 |
|
174 |
YCQM1200-15 |
1875 |
720 |
1500 |
340 |
250 |
90 |
545 |
1075 |
765 |
880 |
870 |
780 |
770 |
4-ф30 |
640 |
580 |
1300×1200 |
|
175 |
YCQM1200-22 |
2075 |
720 |
1800 |
340 |
250 |
90 |
580 |
1125 |
810 |
880 |
870 |
780 |
770 |
4-ф30 |
640 |
580 |
1300×1200 |
|
176 |
YCQM1200-30 |
2075 |
720 |
1800 |
340 |
250 |
90 |
580 |
1125 |
810 |
880 |
870 |
780 |
770 |
4-ф30 |
640 |
580 |
1300×1200 |
|
177 |
YCQM1200-38 |
2155 |
720 |
1700 |
340 |
250 |
90 |
595 |
1125 |
785 |
880 |
870 |
780 |
770 |
4-ф30 |
640 |
580 |
1300×1200 |
|
178 |
YCQM1200-45 |
2475 |
720 |
2000 |
340 |
250 |
90 |
670 |
1310 |
880 |
880 |
870 |
780 |
770 |
4-ф30 |
640 |
580 |
1400×1300 |
|
179 |
YCQM1200-50 |
2475 |
720 |
2000 |
340 |
250 |
90 |
670 |
1310 |
880 |
880 |
870 |
780 |
770 |
4-ф30 |
640 |
580 |
1400×1300 |
|
180 |
YCQM1600-10 |
1875 |
720 |
1500 |
340 |
250 |
90 |
545 |
1075 |
765 |
880 |
870 |
780 |
770 |
4-ф30 |
640 |
580 |
1300×1200 |
|
181 |
YCQM1600-16 |
2075 |
720 |
1800 |
340 |
250 |
90 |
580 |
1125 |
810 |
880 |
870 |
780 |
770 |
4-ф30 |
640 |
580 |
1300×1200 |
|
182 |
YCQM1600-20 |
2075 |
720 |
1800 |
340 |
250 |
90 |
580 |
1125 |
810 |
880 |
870 |
780 |
770 |
4-ф30 |
640 |
580 |
1300×1200 |
|
183 |
YCQM1600-25 |
2155 |
720 |
1700 |
340 |
250 |
90 |
595 |
1125 |
785 |
880 |
870 |
780 |
770 |
4-ф30 |
640 |
580 |
1300×1200 |
|
184 |
YCQM1600-32 |
2475 |
720 |
2000 |
340 |
250 |
90 |
670 |
1310 |
880 |
880 |
870 |
780 |
770 |
4-ф30 |
640 |
580 |
1400×1300 |
|
185 |
YCQM2000-12 |
1970 |
720 |
1800 |
340 |
250 |
90 |
620 |
1175 |
830 |
880 |
870 |
780 |
770 |
4-ф30 |
640 |
580 |
1400×1300 |
|
186 |
YCQM2000-18 |
2115 |
720 |
1800 |
340 |
250 |
90 |
620 |
1175 |
830 |
880 |
870 |
780 |
770 |
4-ф30 |
640 |
580 |
1400×1300 |
|
187 |
YCQM2000-24 |
2320 |
720 |
2000 |
340 |
250 |
90 |
675 |
1215 |
880 |
880 |
870 |
780 |
770 |
4-ф30 |
640 |
580 |
1400×1300 |
|
188 |
YCQM2000-28 |
2490 |
720 |
2000 |
340 |
250 |
90 |
675 |
1215 |
880 |
880 |
870 |
780 |
770 |
4-ф30 |
640 |
580 |
1400×1300 |
|
189 |
YCQM2000-32 |
2490 |
720 |
2000 |
340 |
250 |
90 |
675 |
1215 |
880 |
880 |
870 |
780 |
770 |
4-ф30 |
640 |
580 |
1400×1300 |
|
190 |
YCQM2400-8 |
2160 |
720 |
1800 |
340 |
250 |
90 |
620 |
1175 |
830 |
880 |
870 |
780 |
770 |
4-ф30 |
640 |
580 |
1400×1300 |
|
191 |
YCQM2400-14 |
2375 |
720 |
2000 |
340 |
250 |
90 |
675 |
1215 |
880 |
880 |
870 |
780 |
770 |
4-ф30 |
640 |
580 |
1400×1300 |
|
192 |
YCQM2400-22 |
2520 |
720 |
2000 |
340 |
250 |
90 |
675 |
1215 |
880 |
880 |
870 |
780 |
770 |
4-ф30 |
640 |
580 |
1400×1300 |
|
193 |
YCQM2400-24 |
2520 |
720 |
2000 |
340 |
250 |
90 |
690 |
1240 |
915 |
880 |
870 |
780 |
770 |
4-ф30 |
640 |
580 |
1400×1300 |




